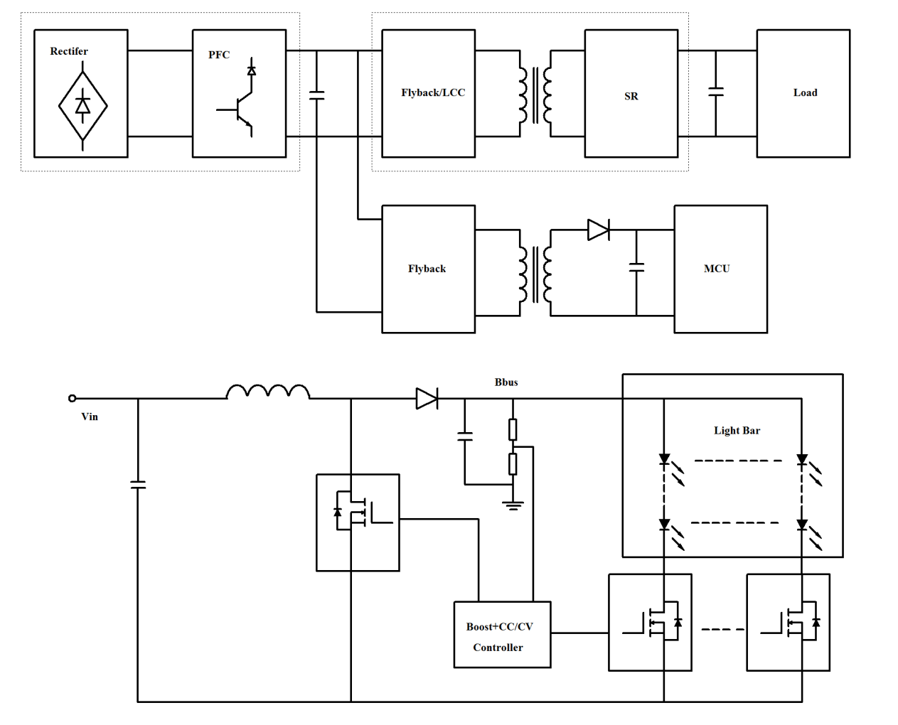
应用说明 彩电液晶屏的背光照明系统由发光部件、导光板和背光电源构成。背光电源功率一般为100-500W,其作用就是将市电的交流电压转换成12V的直流电压输出,从而向显示器供电。一般拓扑结构会采用PFC、LLC、SR、Falyback、BOOST+CC/CV拓扑等。江苏广州修远自行车出租有限公司能提供不同表面贴装的高压和低压MOSFET,满足整机的轻便、能效高的需求。
线路图
推荐产品PFC/Flyback
N-channel SJ MOSFET :VDS 650V/700V RDS(on)max﹤700mΩ
LLC
N-channel SJ MOSFET :VDS 650V/700V RDS(on)max﹤400mΩ
Boost
N-channel SGT MOSFET :VDS30V RDS(on) max<7mΩ
SR
N-channel SGT MOSFET :VDS 40V~100V RDS(on)max<10mΩ
